

车载摄像机1、功能特性:
-支持1920x1080@25fps分辨率;
-采用超低照度星光级传感器,照度可达0.001Lux;
-数字降噪;自动曝光响应算法;自动白平衡算法;
-带数字宽动态、透雾功能,强光抑制;
-主要针对车载视频监控要求设计;
-航空母头接口,DC12V供电,线序1、电源,2、地,3、空,4、视频;
-符合IP67级防水防尘设计,可靠性高。
2、规格参数:
型号 | EA-831C7 | |
摄像机参数 | 成像器件 | 1/3" SONY CMOS |
有效像素 | 1920(H) × 1080(V) | |
信号制式 | PAL/NTSC | |
最低照度 | 0.001Lux | |
快门速度 | AUTO/ 1/50(1/60)-1/100,000sec | |
日夜转换模式 | 昼夜全彩 | |
宽动态 | ≥80db | |
背光补偿 | 支持 | |
光学镜头 | 接口类型 | M12镜头2.1mm超广角 |
光圈 | 固定光圈F1.8 | |
可视角度 | 水平≥135; 垂直≥60 | |
其它 | 温度 | -20℃--+80℃ |
湿度 | 10% - 90% | |
电源 | DC 12V ( 宽电压 9V-15V ) | |
防水等级 | IP66 | |
功率 | <1w | |
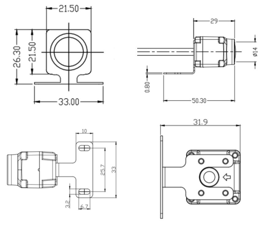
尺寸 | 50.1MM(L)x21MM(W)x26.3MM(H)(含支架) | |
重量 | 120G | |
尺寸图:
